exercices corrigés sur Groupement de résistances TP-TD résistance
Groupement de
résistances
Ex 1
On
branche 2 résistances R1 et R2 en série puis en
parallèle.
1.
Donner les expressions des résistances équivalentes en série RS et
en parallèle RP.
2.
Calculer RS et RP si R1 = R2 = R.
3.
Calculer RS et RP si R1 est négligeable devant
R2.
4.
Si R1 représente un interrupteur (interrupteur fermé => R1
= 0 ou interrupteur ouvert =>
R1 = ∞), calculer RS et RP dans les 2 cas.
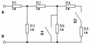
Ex 2
Pour
les figures suivantes, calculer la résistance vue entre les points A et B
1.
2.
Ex 3
Pour
les 3 figures suivantes :
figure1
figure2
figure3
Calculer
la résistance équivalente vue entre les points A et B dans les cas suivants :
------------------------------------------------------------------------------------------------
CORRECTION - SOLUTIONS
------------------------------------------------------------------------------------------------
Groupement de résistances
Ex 1
Ex 2
1.
RAB = [R + 3R//6R +R] // [3R + R] = [R +
2R + R] // 4R = 4R // 4R = 2R
2.
Ex 3
Figure 1
Figure 2
Figure 3
Article plus récent Article plus ancien











