théorème de thévenin et Théorème de Superposition exo+corrigés
Théorème
de Superposition et théorème de thévenin
Exercice
1
Utiliser le théorème de
superposition pour calculer le courant qui circule dans R3
Exercice
2
Utiliser le théorème de
superposition pour calculer la tension UAB aux bornes de R1.
Exercice
3
Utiliser le théorème de
superposition pour calculer la tension aux bornes de R1.
Exercice
4
1. Dessinez le générateur de
Thévenin de la figure suivante, sans tenir compte de la résistance R.
2. pour R = 150
kΩ
a. Déterminez
le courant qui traverse R
b. calculer la puissance fournie à R
Exercice
5
Déterminer les
caractéristiques ET et RT du générateur de Thévenin équivalent au circuit
suivant, sans tenir compte de la résistance R.
Exercice
6
Dans le montage
suivant, déterminer le courant I circulant dans la résistance R = 100k.
Exercice
7
1. Dessinez le
générateur de Thévenin de la figure suivante, sans tenir compte de la
résistance R.
2. Calculez la
tension UR et la puissance fournie à la résistance R.
Exercice
8
Dessinez le
générateur de Thévenin de la figure suivante, sans tenir compte de la
résistance R.
------------------------------------------------------------------------------------------------
CORRECTION - SOLUTIONS
------------------------------------------------------------------------------------------------
Solution Exercice 1
Pour calculer le courant qui circule dans R3, on
calcule la tension aux bornes de R3.
fig1
fig2
1- on calcule la tension U’ (aux
bornes de R3) avec E2 en court-circuit (fig1)
U’ = E1 x (R2 // R3) / [(R2 //
R3) + R1] = 15V x 50 / 150 = 5V
2- on calcule la tension U’’ (aux
bornes de R3) avec E1 en court-circuit (fig2)
U’’ = -E2 x (R1 // R3) / [(R1 //
R3) + R2] = -12V x 50 / 150 = -4V
3- la tension U aux bornes de R3
est : U = U’ + U’’ = 1V
4- I =
U / R3 = 1V / 100k = 10μA
Solution Exercice 2
fig3
fig4
1- on calcule la tension U’AB avec E2 en
court-circuit (fig3)
U’AB = E1 x R1 / [R3 + R1] = 12V x 100
/ 200 = 6V
2- on calcule la tension U’’AB avec E1 en
court-circuit (fig4)
U’’AB = - U’’BA = -E2 x R1 / [R1
+ R3] = -15V x 100 / 200 = -7,5V
3- UAB = U’AB + U’’AB = 6V – 7,5V =
1,5V
Solution Exercice 3
fig5
fig6
1- on calcule la tension U’ avec
le générateur de courant ouvert (fig5)
U’ = E1 x R1 / [R1 + R2 + R3] =
15V x 10 / 20 = 7,5V
2- on calcule la tension U’’ avec E en court-circuit
(fig6)
U’’ = I1 x R1 = I2 x (R2 + R3) = I x R1 // (R2 + R3) = 1mA x 10 x 10 /
(10 +10) = 5V
3- U = U’ + U’’ = 7,5V + 5V =
12,5V
Solution Exercice 4
fig7
fig8
1. Eth = UAB = E x R3 / ( R1
+ R2 + R3) = 18 x 100 / (100 + 100 + 100) = 6V
Rth = RAB = R5 + R3 // (R2
+ R1) = 100k + 100k x 200k / 300k = 166,67k
2. pour R = 150 kΩ
a. I = Eth / (Rth + R) = 18,95μA
b. P = R x I2 = 53,85μW
Solution Exercice 5
1. on calcule Eth =
UAB
R6 = R2 + R3 // R4 = 50k +100k
//100k = 100k
Eth = UAB = E x (R5 // R6) / [R1 + (R5 //
R6)] = 15V x 50k / 100k = 7,5V
2. on calcule Rth =
RAB
Rth =
RAB = R1 // R5 // R6 = 25k
Solution Exercice 6
1. on calcule Eth =
UAB
et
Rth
=
RAB
Eth = UAB = UA - UB
UA = E x R2 / (R1 +R2) = 10V x 100 /
200 = 5V
UB = E x R5 / ( R3
+ R4 + R5)
UB = 10V x 25 / 100
= 2,5V
Eth =
UAB = UA
- UB =
5V – 2,5V = 2,5V
Rth = RAB = (R1 // R2) +
[R5 // (R3+R4)] = 100k // 100k + 25k // 75k = 50k + 18,75k = 68,75k
2. pour R = 100 k I = Eth / (Rth + R) = 2,5V /
(68,75k + 100k) =
14,81μA
Solution Exercice 7
1. on calcule Eth =
UAB
et
Rth
=
RAB
Eth = UAB = UA - UB
UA = E1 x R2 / (R1 +R2) = 12V x 100
/ 200 = 6V
UB = E2 x R4 / (R3 + R4) = 5V x 100
/ 200 = 2,5V
Eth = UAB = UA - UB = 6V – 2,5V = 3,5V
Rth = RAB = (R1 //R2) + (R3 // R4) = 100k
// 100k +100k // 100k = 100k
2. UR = Eth x R / (Rth + R) = 3,5V x
100k / (100k + 100k) = 1,75V
PR = UR
2 / R = (1,75V) 2 / 100k = 30,625μW
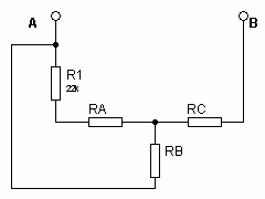
Solution Exercice 8
1. on calcule Eth =
UAB
On utilise la transformation
triangle-étoile. Puisque R2 = R3 = R4 = 33k, RA = RB = RC = 33k / 3 = 11k
Eth = UAB = E x (R1 + RA) / (R1 + RA + RB)
= 10V x (22k + 11k) / (22k + 11k +11k) = 7,5V
2. on calcule Rth =
RAB
Rth = RAB = [(R1 + RA) //
RB] + RC = 33k // 11k + 11k = 19,25k
3.



























thanks
RépondreSupprimerde rien
SupprimerPouvez vous mettre plus de sujets
RépondreSupprimerMerci beaucoup c'est très cool
RépondreSupprimerJe trouve génial mais seulement que je n'arrive à bien comprendre l'exercice 1
RépondreSupprimerJe trouve génial mais seulement que je n'arrive à bien comprendre l'exercice 1
RépondreSupprimerj ai pas compris ,pouquoi vous annulez la resistance 2 lorsque vous deconnectez E1 en exercice 2?
RépondreSupprimerEn vrai on ne déconnecte pas le générateur on le court-circuite (remplace par un fil).Or remplacer le générateur par un fil court-circuite R2 et plus aucun courant ne passe par elle.
Supprimerتتتتتتتتتتتتتتتتتتتتتتتتتتتتتتتت
RépondreSupprimerles exercice est trés facile
RépondreSupprimerSure😑
SupprimerTrès bien
RépondreSupprimerTrès bien
RépondreSupprimerExcellent
RépondreSupprimerBonjour Mesdames et Messieurs, Vous avez besoin d'une aide financière? Je suis Susan Benson. Je suis prêteur et également consultant financier.
RépondreSupprimerVous avez besoin d'un prêt commercial, d'un prêt personnel, d'un prêt hypothécaire ou d'un prêt pour mener à bien votre projet? si votre réponse est oui, je vous recommanderai de contacter mon cabinet. Nous offrons toutes sortes de services de prêt, y compris des prêts à long terme et à court terme. Pour plus d'informations, écrivez-nous par e-mail: (sunshinefinancialgroupinc@gmail.com) ou envoyez-moi un message directement sur WhatsApp via: +447903159998 et recevez une réponse en un instant.
Nous sommes une société de services financiers complète et nous nous engageons à vous aider à répondre à toutes vos aspirations. Nous nous spécialisons dans la fourniture de solutions de financement structurées aux particuliers et aux entreprises de la manière la plus efficace et la plus rapide.
Voici quelques raisons pour lesquelles vous devriez nous contacter pour un prêt;
* Commodité - Vous pouvez demander un prêt à tout moment, n'importe où.
* Montant flexible - Vous décidez combien vous souhaitez emprunter.
* Financement direct rapide - Recevez votre prêt dans les 24 heures suivant l'approbation.
* Taux d'intérêt flexible - Bon taux d'intérêt.
* Taux d'approbation élevés
* Remboursement flexible - Vous avez la possibilité de choisir la date de remboursement, hebdomadaire, mensuelle ou annuelle pour une durée de 1 à 30 ans.
* Application en ligne simple.
* Accompagnement et expertise personnalisés.
* Pas de frais cachés
Ne perdez pas une opportunité en raison du manque de fonds. Contactez mon entreprise maintenant, nous pouvons vous aider avec un prêt car nous avons aidé de nombreuses personnes et organisations qui ont fait face à des difficultés financières partout dans le monde
Pour plus d'informations sur notre offre de prêt, veuillez nous adresser votre demande de prêt via:
Courriel: sunshinefinancialgroupinc@gmail.com
WhatsApp: +447903159998
Les intermédiaires / consultants / courtiers sont les bienvenus pour amener leurs clients et sont protégés à 100%. En toute confiance, nous travaillerons ensemble pour le bénéfice de toutes les parties concernées.
Très cool
RépondreSupprimerMerci
RépondreSupprimerMerci🙏
RépondreSupprimerHyper bien ça ma vraiment aidé
RépondreSupprimerHyper bien ça ma vraiment aidé
RépondreSupprimerC'est super géniale
RépondreSupprimerMerci infiniment
RépondreSupprimerJe suis dans le commerce binaire depuis un certain temps maintenant, et je dois dire que cela va vraiment avec une perte sans la bonne approche et stratégie. J'en suis arrivé au point où je les comprends. Ma plus grande gratitude va à Carlos pour son incroyable stratégie de classe de maître. Je dois dire que cela m'a donné une plate-forme stable, équilibrée et digne de confiance pour mener à bien mon commerce, me donnant ainsi l'opportunité de profiter au maximum du marché. si vous êtes fatigué de la perte, contactez-le (carlose78910@gmail.com) via whatsapp: (+12166263236)
RépondreSupprimerCOMMENT J'AI OBTENU MON MONTANT DE PRÊT DÉSIRÉ D'UNE SOCIÉTÉ DE PRÊT FIABLE ET DE CONFIANCE LA SEMAINE DERNIÈRE E-mail pour une réponse immédiate: drbenjaminfinance@gmail.com Appel / SMS: +1(646)820-1981 Whatsapp +19292227023 Visitez leur site Web et croyez-vous Site Web de l'entreprise: https://capitalmanage-inc.com/
RépondreSupprimerBonjour à tous, Je m'appelle M. Justin Riley, je viens des États-Unis, je suis ici pour témoigner de la façon dont j'ai obtenu mon prêt de CAPITAL MANAGEMENTS INC (drbenjaminfinance@gmail.com) après avoir fait deux demandes auprès de divers prêteurs qui prétendait être des prêteurs ici même sur ce forum, je pensais que leurs prêts étaient réels et j'ai postulé mais ils ne m'ont jamais accordé de prêt jusqu'à ce qu'un de mes amis me présente {Dr.Benjamin Scarlet Owen} le PDG de CAPITAL MANAGEMENTS INC qui a promis de m'aider moi avec un prêt de mon désir et il a vraiment fait ce qu'il avait promis sans aucune forme de retard, je n'ai jamais pensé qu'il y avait encore des prêteurs fiables jusqu'à ce que je rencontre {Dr.Benjamin Scarlet Owen}, qui m'a vraiment aidé avec mon prêt et a changé mon la vie pour le mieux. Je ne sais pas si vous avez également besoin d'un prêt urgent, alors n'hésitez pas à contacter le Dr Benjamin Scarlet Owen sur son adresse e-mail: drbenjaminfinance@gmail.com CAPITAL MANAGEMENTS INC détient toutes les informations pour obtenir de l'argent rapidement et
sans douleur via Whatsapp +19292227023 Email: drbenjaminfinance@gmail.com
Et considérez tous vos problèmes financiers abordés et résolus. Partagez ceci pour aider une âme en ce moment, merci
Visitez leur site Web et croyez-vous Site Web de l'entreprise: https: //capitalmanage-inc.com/
Ca vraiment aider we nikmalik 3l 9wada
RépondreSupprimerMrc beaucoup :)
RépondreSupprimerMrc ❤
RépondreSupprimerMerci
RépondreSupprimerSayftou
RépondreSupprimerMerci ❤️
RépondreSupprimerj'ai pas compris pour qoi tu utilise la transformation triangle-étoile
RépondreSupprimerdans l'Exo8?? et remplace les resistance par 11k Oum!
J'apprécie votre contribution.
RépondreSupprimerSoyez un peu explicite. Merci pour votre compréhension
RépondreSupprimerMerci pour vos efforts
RépondreSupprimerBonne journée, je ne peux pas garder tout cela pour moi, M. Anderson m'aide à gagner 2500 $ par semaine sur le commerce de crypto-monnaie, contactez-le sur WhatsApp + 1 (252) 285-2093
RépondreSupprimerBonne initiative mais soyez plus explicite,les résultats sont parfois trop directs.
RépondreSupprimerPar exemple, au niveau de l'exercice 2,pour la première question ,pourquoi ne pas avoir considéré R2 dans les calculs, il n'y a pourtant aucun court-circuit !!?